iPhone手机、iPad和MacBook都是苹果的产品,不过在电路设计方面还是有差别的,到底有哪些相同和不同之处的呢?今天列举了几点来进行分析说明,下面我们一起来看一下吧!
一、元件封装尺寸iPhone手机和MacBook笔记本设计的共同之处就是元件很小。手机采用的是01005封装,MacBook采用的是0201封装,均比普通笔记本常用的0402小。为了方便比较,下图是普通笔记本、MacBook笔记本、iPhone手机的实物元件放在一起的合影。
采用intel方案的MacBook笔记本,与iPhone手机、iPad差异很大。iPhone手机和iPad供电都只采用一个电源,负责AP部分的供电。芯片内置PWM模块,时序概念不强,只要有扎实的手工就可以,手机供电电源芯片如图所示:

手机供电芯片电路如下图所示,最大的CPU供电电流才13.8安培。

intel平台的MacBook笔记本供电如图所示:每个大电感都是独立的供电,且各个供电有严格的产生先后顺序的时序。由于intel平台的笔记本供电功率大,每个模块需要采用独立的供电,如CPU供电、桥供电、内存供电,都有独立的PWM供电芯片控制。

独立的PWM供电电路如图所示。

各项供电受时序信号控制,遵循时序中的先后顺序。如上图PVDD_EN_R开启信号,给芯片U8100的16脚,U8100芯片开始工作,从11脚和14脚输出驱动信号给Q81001内部的两个MOS管,驱动MOS管工作,将输入电压降压得到PP1V2_S3_REG供电。当芯片检测到电压正常后,从20脚输出电源好信号PVDDQ_PGOOD,用于控制下一级线路工作。
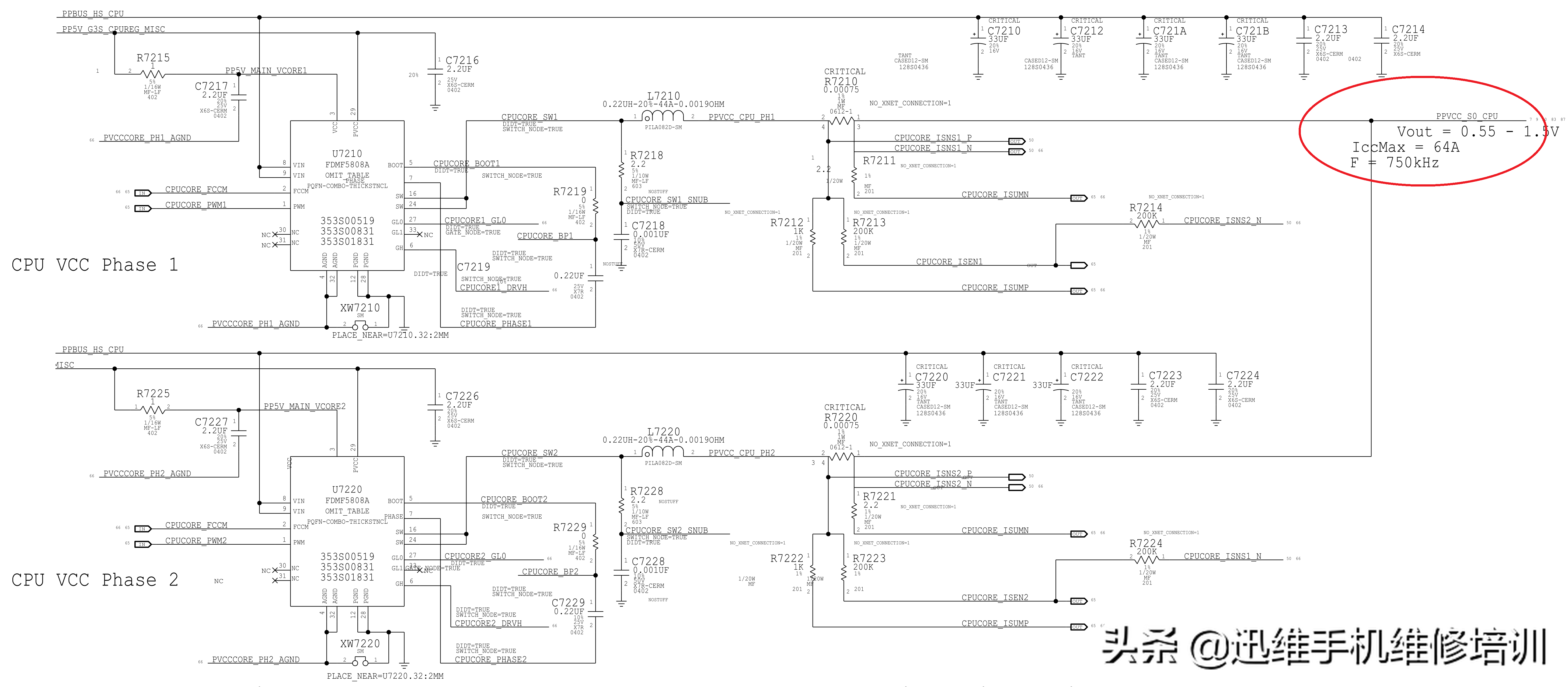
由于intel平台的MacBook笔记本CPU功耗比较大,供电需要由大型的PWM芯片管理,控制PWM电路的MOS管工作产生多相CPU供电。在PWM芯片内部设计有检测功能,经周边的元件取样进行电流、电压、相位检测,如果任何一相供电有问题,PWM芯片都会进行保护。如下图所示为CPU两相供电。

最大输出电流64安培。

同时CPU会通过SVID信号线路与PWM芯片进行通讯,PWM根据CPU的工作状态给CPU提供合适的供电电压和电流,保持CPU的正常工作。

CPUSVID信号
新款M1苹果笔记本,采用自研的ARM架构CPU,电源集成在两个芯片里,与手机差异不大。

iPhone手机、iPad和MacBook笔记本的CPU都是板载的,BGA焊接,Intel平台的笔记本是板载内存,M1平台的是CPU层叠,手机内存也是叠层。

Intel平台的苹果笔记本板载内存

M1平台的叠层内存

iPhone手机内存也是层叠,俗称上盖
四、硬盘的放置现在主流的MacBook笔记本与手机一样,硬盘都是板载,BGA焊接,带黑胶,要求一定手工功底。

除涉及安全的指纹模块以外,手机CPU加密绑定ID,Intel平台的MacBook笔记本CPU不加密,但有T2芯片加密(T2就类似于手机CPU),M1平台的苹果CPU也加密了。

还有就是配件加密问题,比如iPhone11对换屏幕和电池会报非原装,苹果笔记本暂时没有这个问题,但不排除以后会绑定。

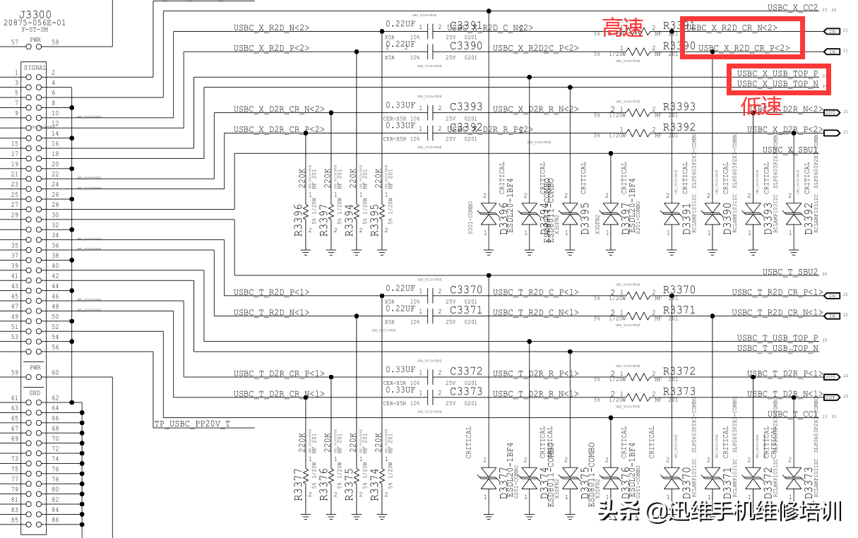
笔记本有大量的数据传输需求,所以会配备USB或TYPE-C接口,手机和平板暂时只能通过Lightning接口(内置信号)传输大量数据。

如下图所示,苹果手机只支持低速的USB接口,经过USB管理芯片后与CPU进行通信。

MacBook笔记本电脑采用Type-C接口,同时支持低速的USB和高速的USB传输方式,如下图所示。低速的通过USB通信芯片再连接CPU,高速的通过雷电接口芯片连接CPU。

手机支持NFC功能(近距离无线通讯,用于移动支付),平板和笔记本一般都有NFC芯片,不过只做安全使用,一般不支持读取卡片。

八、显示接口方面
手机的显示电路是MIPI总线,笔记本的是DP总线。


手机和iPad一般都是直来直往,几乎没有逻辑控制电路,但MacBook笔记本中就采用了很多的逻辑控制元件。如下图所示,最常见的一个分立的与门控制电路。图中的ALL_SYS_PWRGD、PM_SLP_S3_L、PM_RSMRST_L信号正常后,送到U1910内部进行逻辑运算,三个信号逻辑都正常时,从4脚输出CPU_VR_EN开启信号,用于开启CPU供电芯片工作,产生CPU供电。
如果三个信号中任何一个不正常,都会导致4脚不输出CPU_VR_EN信号,CPU供电芯片将不工作,不产生CPU的核心供电,从而笔记本不能正常进行工作。

从维修上来讲,手机料板多,碰到PCB坏的,实在找不到问题的可以搬板(把加密的芯片挪到另一个板子上),而笔记本搬板基本没有意义。
