
编者按

▲正在接受访问中的孙海原先生

▲这是2015年众筹的Pluto的音箱
记者:数年前,一款叫Pluto的音箱在网上风靡一时,外观是非常特别的,一个水管上面有一个弯出来的大眼睛,凭借其独特的外观以及优良的声音表现,京东、淘宝等众筹很快就超过预定目标。但Pluto却很少在发烧圈中出现,请简单介绍一下这款产品的故事。
孙海原:这款产品是林克维茨先生在他所有声学理念工程验证箱里面,市场普及面最大的一款。我为什么管这个叫做林克维茨先生声学理念的工程验证箱?是因为林克维茨先生做的这些东西其实初衷都不是一个商业设计。他本来就是为了要验证他自己的声学理念和声学构想,然后做一个工程的样板箱。所以他的设计是一点商业的想法都没有的,就是一个纯科学家的、声学理念的验证,这是他的诉求。Pluto就是这样的一个产物。

▲林克维茨先生
Pluto在国外很多爱好者的圈子里都传播有一段时间了。在中国是2015年的时候,我跟林克维茨先生经过多次的聊天讨论,最终打动了他。商业这个东西林克维茨又不甚在意,所以我花了很大的力气说服,让他首先是认同我,第二才是跟我合作这件事情。同意我来推广林克维茨一系列的作品,因此我们是整个大中华区唯一被许可生产、制造林克维茨作品的伙伴。
这个Pluto最早是我的搭档,林克维茨声学的联合创始人,前喜马拉雅副总裁李海波在“罗辑思维”平台上推广的。Pluto是创造了几个记录的,一个是短时间内卖了很多,一个小时之内就爆了单了,夜里十二点发售当晚,就把微信的支付端口挤爆了。因为3万块钱一套,微信没有短时间在一个商户的端口收到过可能几十、上百套的3万元的涌入,一下子就崩溃了,这个在微信史上应该是很少见的事情。据说罗振宇当时就给这个张小龙打电话,要求赶紧修复。无论是当时这个火热状况以及3万元高价位的东西,能够在互联网的这种形态下,没有见到实物的情况下,就有那么大的销售量。都是一个非常难得的、到今天我估计也没有人去打破的记录。所以Pluto那个时候在中国市场有很大的反响。包括后来在上海的“一条”,包括后来在吴晓波频道、喜马拉雅等都有不错的销售。
记者:刚刚我们也听到孙总提了很多次林克维茨的名字,对音响声学技术有所了解的朋友,一定会非常熟悉,在各种音箱设计的教科书上,必然会看到“Linkwitz-Riley(林克维茨-瑞利)滤波器”这个名字,其实这是林克维茨先生与瑞利在1976年设计的分频滤波网络。除此之外,林克维茨先生还有很多对电声学方面有着重要贡献的研究,请给我们简单介绍一下林克维茨先生的生平。
孙海原:林克维茨是德国人。他的全名叫SiegfriedLinkwitz(齐格弗里德·林克维茨),在德国达姆工大毕业后他就进了西门子了。后来又去美国斯坦福读研究生,然后再进了惠普,做测试仪器的研究和研发。我们知道各行各业都离不开测试仪器,测试仪器是人做万事的尺子,后来这个公司更名为安捷伦,是全世界最著名的测试仪器公司。
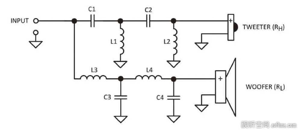
他在安捷伦被称为“10亿美元先生”——他设计的产品销售额是到10亿美元以上的,他是一个顶尖的射频测试专家,他在业余的时候研究声学。和他的同事瑞利,两个人发明了Linkwitz-Riley(林克维茨-瑞利)分频网络。这是世界上分频点附近相位失真最小的分频器,我们今天看到的市面上从1万的到1000万售价的音箱,凡是重视分频点附近相位失真的,都有可能使用的是林克维茨-瑞利分频网络,光这一点就足以让他名垂青史。随便翻开一本关于音响声学的教科书,都可以发现他个人的名字。

▲Linkwitz-Riley分频网络示意图
但是林克维茨在声学方面的成就又不仅仅是这个,甚至是在他的整个声学成就里,这个分频网络的分量,其实我觉得最多占到30%。真正让他享有这个世界声誉的,是他晚年一系列的论文和工程实践,让他对今天的音响声学产生了巨大的影响,BarryWillis在2016采访林克维茨时评价说:“林克维茨在音响声学和音响工程方面的贡献比今天地球上所有活着的人都大。”从他的若干篇论文之后,音响声学就有了一个界碑,就是新声学和旧声学之分。他提倡的新声学核心,就是离轴要好。我们知道音箱面对着我们发射过来的那部分声音,这就是轴向,向旁边向后发射绕射衍射的声音,都是离轴。每一款音箱无论什么价格,宣传资料上给我们的那条曲线,全都是在专门的消声室测的轴向部分。但是在普通空间里你所听到的声音60-70%来自包括离轴之外存在环境中的反射声,所以一个音箱轴向好应该是默认选项,更重要的是看他的离轴曲线是否好。
说一个小故事。林克维茨带着他的小作品LXmini参加2014年美国最大的消费音响展RMAF洛基山音响展,被《发烧天书》编辑夸张的评价为“动摇了几十年音箱信仰”的系统。
林克维茨是真正的音响声学大师,这样级别的大师躬身下场设计音箱以后也不会再有。
记者:今天我们在杭州的乐哈智能体验了林克维茨LX521这款旗舰音箱,能给我们简单介绍一下吗?
孙海原:LX521是林克维茨先生的旗舰作品。这款作品凝聚了林克维茨先生一生关于音响声学音响工程的思考。林克维茨先生认为,一个喇叭单元生产出来之后,它最正常的状态就是一个在自由场的播放,你给它安一个音箱,目的是什么呢?目的不是在声学上有好处,而是商业的妥协。喇叭工作在一个自由场状态下的时候,实际上是需要一个很大的障板的,它的目的就是要隔绝喇叭单元正向向后绕射和喇叭振膜后面向前绕射的声音,因为声波在侧面相遇时同频率不同相位会进行抵消。但是从商业的角度来讲,障板音箱是不受会欢迎的,家庭主妇满意指数太低了,然后设计师就开始想能不能把障板向后折,甚至直到最后把它封闭起来,把前面的声音和喇叭后面的声音完全隔离开,那音箱的效率就提升,你就能够听到低音了。

▲林克维茨LX521采用全开放式设计,其障板的尺寸经过精密的计算
但是商业成功的同时,带来的是巨大的声学伤害。振膜向前有多大的能量,向后就同样有多大的能量,可是向后的能量去哪里呢?就算加了吸引棉,实际上这个能量还是很强的,最终还是要通过箱体内壁反射到喇叭振膜的背面。我们知道喇叭振膜任何一点的震动都会表现为声音,锥盆喇叭一旦安装到箱体之后,它发出来的声音,尤其是在大动态的时候,大量的箱体反射能量就会加到喇叭振膜的背面,所以传统的音箱,单面安装喇叭在箱体上,大动态时普遍表现为声音不清晰。

▲LX521的背后是全开放式的设计

▲因为锥盆单元是前后都能发声的,所以都是用了一只,高音单元是带密闭腔的球顶,所以就一前一后用了2只

▲林克维茨的作品全部采用西雅士定制的单元
无箱体的设计其实也相当困难。首先,有相当多的声音在侧面就抵消掉了,这样喇叭的效率就会变低,对喇叭单元的要求就高了,所以林克维茨先生在全世界范围内,最后还是选择跟西雅士合作。现时西雅士的CEO,就是当年跟林克维茨先生合作、配合开发一系列专用喇叭的技术主管。在这种没有箱体的情况下,喇叭振膜的冲程会非常大,对功率、对悬挂系统、对失真等方面都是巨大的考验,必须要特制的优秀喇叭单元。但是全开放式无箱体的设计,带来的好处就是清晰,尤其是大动态大声压的情况下,低音非常清楚,有些用家说从来没有想到能在大动态下听到这么清晰的低音,这个是非常难得的。
我们通常认为几百万的音箱在自己家里表现不佳,可能要通过设计装修声学环境来改善,但林克维茨先生不是这么认为的。他认为:没有不对的房间,只有不对的音箱。
LX521的第二个特点就是偶极。什么是偶极呢?就是前后发出同样的声音,我们传统的音箱是单面只向前方发出声音。林克维茨为什么要做这个偶极设计?他在这个地方点了最重要的一点,就是我们声学重播的第一性原理:点声源。我们很多人包括一些专业人士,都以为点声源就是像同轴喇叭、全频喇叭那样,但其实这不是点声源!真正的点声源是理论上的一个无限小的球,这个无限小的球面,向四面八方(4π)方向发射同样频率、同样功率的声音,这个才叫点声源。这个是音响声学重播的第一性原理。但世界上到目前为止我们是找不到这么一个无限小、且是球形的喇叭,那好,那就涉及到一个现实的工程问题,怎么样能够贴近这个4π的理念呢?林克维茨先生认为,就是偶极。

▲林克维茨先生与LX521合影

▲林克维茨先生带着LX521的设计原型参加2013年的RMAF(洛基山音响展)

偶极的特点就是出来的声音是一个心形,我们很多人认为心形是一个扁平的形状,那是平面示意图的问题,实际上心形是一个气球状的,前面是一个气球,后面是一个气球。林克维茨认为,今天最现实的方式,最贴近4π的方式就是偶极。有人会说前后两个心形中间还是空的,因为中间有喇叭单元前后声波绕射的抵消,不符合4π。其实对于现实应用来说,前后两个心形甚至比点声源还好。点声源虽然理论上很好,但也是最易于激起空间不良声学反应的波形,而偶极是前后两个心形,等于把侧面的声波抵消了相当大一部分,就等于是环境反射减少了。
一些重要的论文提到:反射声是占据我们人耳听到的声音总能量的60%-70%。人的耳朵有一个特点,如果反射声和直达声差异过大,人的大脑会分辨不出同一声音的直达声和反射声,而是感觉听到了浑浊不清晰的声音。而如果反射声和直达声差异不大,只是晚了一点时间到达人耳,那么人的大脑会感觉声音很清晰,而且有声场,脱箱。这是林克维茨先生综合了很多声学底层理论、行业的论文、测试数据,包括自己亲自试听得出的结论,这就是他做偶极的道理。
你看,这就是科学家做设计和一般商业设计的区别,他的每一个心思都是从声学理论出发,最后实现为声学结构,没有任何商业考虑。
记者:那相位的抵消是怎么处理的?
孙海原:这个就涉及到很高难度的设计:留下需要的声音,抵消掉不想要的声音。林克维茨的LX521并不是障板设计,他认为障板设计也有很多问题。LX521应该叫无限小障板设计,这个面板主要是支撑喇叭用的。这个障板到底要多大?要什么形状?两只10英寸低音喇叭的前后振膜声波路线,都要有严格的测试。新声学这种完全开放的偶极设计,除了对单元的要求高之外,对设计师的要求也非常高,完全是一套新的东西,以往大多数工程经验已经完全不适用。

▲LX521在客户家中的实景照
记者:请给我们介绍一下LX521的单元配置吧。
孙海原:LX521为4分频,总共是12个单元,每声道是2只10英寸低音,1只8英寸的中低音,1只4英寸的中音,2只1英寸的球顶高音,一前一后。因为锥盆单元是前后都能发声的,所以都是用了一只,高音单元是带密闭腔的球顶,所以就用了2只。它配备了一台10通道的功率放大器,里面内置了4分频、8路的电子精密分频器。其实林克维茨发明了林克维茨-瑞利分频器后,实际上在市场应用的过程当中,大家都是从成本和简易性考虑,都是在用功率分频,林克维茨先生认为这是一种比较粗糙的方式,他自己的作品全部是ASP或DSP有源精密分频。但是这样整个音响系统的成本就大大地提高了。因为是电子分频,就是一个单元用一路功放来推动。林克维茨是科学家,不是商人,他从来不去考虑成本问题,他只考虑性能。所以LX521整套就是包括一对音箱,包括精密电子分频的10通道功放。而在我们这个产品配套当中,还包括流媒体音源。我们特别推崇的就是功能闭环,我们相信这个世界上绝大多数人是希望有成套的解决方案,除非你的本意不在聆听而是折腾,而且套装功能闭环是最容易保证整个系统性能的。

LX521的上方由4只单元组成,1只8寸的中低音,1只4寸的中音,2只1寸的球顶高音,后方还有一只高音单元

低音方面采用了2只10寸低音,一前一后地安装
记者:前面您也提到,这台功放内置了完整linkwitz均衡曲线ASP(analogsignalprocessing模拟信号处理),和我们熟悉的DSP,它们和传统的功率分频有什么不同?
孙海原:传统功率分频是比较草率的,他的好处是简单,用一台功放两个声道就可以了,但问题很大。功率分频会吃掉很多功放失真最低的起始功率部分。林克维茨的作品涉及到很复杂的频率补偿和相位调教。功率分频能力有限,很多东西,不是成本问题,是压根做不到。再者,尤其是低音单元是有惯性的,惯性产生一个反电动势,低音反电动势往功放一回顶,通过功放输出端又给到高音了,各种调制失真都出来了。
那么电子分频,一是成本高,二是复杂得多,做得了功率分频的设计师,他未必做得了电子分频。在这个领域,ASP就是模拟电子分频,那么DSP就是数字电子分频,两者互有长处。比如ASP可能音色会好一点,但音色这个东西就真的是见仁见智了,DSP的动态理论上没有ASP大,但是在灵活性、可控性上DSP会更好,所以我们以后也会在不同的场合应用DSP分频。

这是LX521配备的专用功放,内置ASP电子分频,并设10路、每路350W的D类功放

功放设有3组RCA和2组XLR输入,输出采用Speaker-on端口进行连接

这是LX521配套功放内部的ASP电路板
孙海原:我们现在里面是用了10路同样功率的放大器,每个通道都有350W。全部是D类功放,全部是开关电源。其实发展到今天的D类功放,它的水准,它的失真,它的听感,跟过去已经不可同日而语。而且在应用得当的前提下,D类功放的听感在盲听的情况下,一定是赢大多数的AB类功放。而且,你今天你能够买到的大牌监听音箱,大多数里面全都是D类功放,录音师混音师就是用这些监听音箱给我们做唱片的。
记者:ASP功放和LX521音箱是配套的,那么功放需要根据不同的房间进行调节吗?
孙海原:现在有很多主动对房间的声学进行调整的设备,我们大都试过,不太好的;第二,如果你不会调,或者你的机器不够高级,可能会有副作用。林克维茨说过,任何一个正常家居陈列的房间都不会有大问题,只要是一个偶极音箱,而且设计是合理的,都不会有太差的声音,只不过可能不同的装修、不同摆设的房间,声音略有不同而已。
林克维茨认为:只有辐射不均匀的音箱才需要调整房间。可一个“辐射均匀”对于传统设计的单面音箱来说何其难也。
设计良好的偶极式音箱、前后心形的这种音箱其实对普通家居环境的适用性特别好,不容易激起环境的不良声学反应。如果再加入房间的声学控制,并不是太必要。如果好的要很贵,而且还要很专业的操作。现在我们在很多AV功放当中都能看到的那种,你按一下它自动测试自动调整,倒不如不用。

▲LX521在客户家中的实景照
记者:那么传统音箱摆位的时候需要摆在1/3、1/5等位置,同时也不能太靠墙,对于LX521有没有这样的要求?
孙海原:复杂摆位是传统音箱不可避免的事情,因为它的辐射模式离轴非常差。如果你的房间没有做很重的声学装修,不把离轴的劣质声音全部吸光,不是做到很细致的这种摆位,声场是很难出来的。你做到了,也很难出来,这是原理决定的。所以我们现在看到很多收几千块钱开班教人家摆位的,说实在的,这几千块钱的学费,就是对传统声学的控诉。
林克维茨的这个音箱,摆位特别简单。因为是偶极音箱,它侧边的声压是很低的,就算挨着侧墙,也都没什么问题。但是它对后墙是有一定的要求,最少有60厘米,能够拉到一米就更好,后面一定要有呼吸空间的。如果确实要离墙很近,那只需要搞一块扩散带吸音板直接摆在正后方就可以了,就这么简单。至于音箱的的角度是向外、向内还是平行,要根据沙发(听音者距离)跟它的关系来调整,如果像一般的等边三角形摆位,音箱平行摆放就可以了;如果是音箱摆得很宽,那还是要稍微内拗一点。除此之外就没有任何什么高难度的摆位要求,一点都不难,也不神秘。
记者:林克维茨的几款作品推出这么多年来,最受哪些类型用家欢迎?而这次LX521在中国市场的推广计划将会是怎样?
很多LX521的用家经常收到东西之后就跟我们说两句话:第一,是感谢。我们把东西卖给人家,部分客户要感谢你,这个是令我们特别开心的事情。第二句话,他说这样的东西,我跟旁边的人介绍,绝大多数人不知道、没听过、没了解。所以推广和实体店试听的机会一定要有,不然的话太可惜了。无论我们作为合作伙伴,无论是想大力推广我们的导师林克维茨先生的理念来说,还是从林克维茨声学本身的这个团队商业生存发展来说,我们都觉得有必要:一是加大推广、二是要增加实体店的试听机会。

▲在乐哈智能的Hi-Fi房能够体验到林克维茨LX521的魅力
所以今年我们就会和各大专业的音响媒体,以及圈外其他的一些媒体,包括我们的自媒体一起投入大力度的推广,跟实体店也要有各种深度的合作。包括这次您看到的杭州乐哈智能旗舰店,乐哈是做智能、灯光、高级音响空间定制的,他们目前的行业地位,应该在整个中国的行业当中是头部企业,在江浙有七家大型的陈列空间,在全国也有很大的影响力和辐射面。所以LX521的推广在实体店方面会跟他们做深度的捆绑合作,只要是在江浙,或者以后在整个乐哈智能覆盖的渠道,你都可以听到LX521以及林克维茨先生其它的作品。