淘了一台车载MP3收音机功放一体机来玩一下。因为我一直认为车载设备的用料还是不差的,特别是收音机,我觉得还是不错的。


还是全新的,听店长说是买车的人直接全新更换下来,他们比较嫌弃这种低端货,全去更换成大屏触控。

除了看懂这个12V标识,其它看不懂是代表什么。

支持SD卡、U盘、音频输入


虽然这货低端,但整体做工给我的感觉还是非常不错。从面板到机壳,很扎实的感觉。这左右档板都还有印个RL字母,可见其用心。因我觉得这没必要去印,这样生产安装应该还更方便点吧,不需要去区分


背后从左到右是车载线束插座,用于连接汽车上的电源、喇叭音箱等。其中红色的部分是一个保险丝。中间这根戴帽的黑色螺杆不知道是做什么的,可能是用于车内安装固定。

最右边的是收音机的天线接口。使用的是香蕉头,这个天线需要另外买,话说这天线的连接还是很扎实的。


底部可以看到螺丝,这个设计我上一次看到是在拆解一些品牌交换机就是这样的设计。

一直觉得这个设计很赞,不需要铆螺丝柱,直接用用本体成型。生产方便还节省成本。当然可能有人会感觉这样螺丝露出来不好看,这就是仁者见仁的问题了。
虽然是个简单的产品,但整个设备外形、用料、设计、细节我个人感觉还是挺不错。


内部相当简单和简洁

这个电路板是23年第6周生产,这个电路板通过文件名(PWR)及以上面的电感、芯片可以看的出这是一个电源板和功放板。6061E有可是这个设备的型号。

这是SD卡、USB座、AUX音频座小板

这个板就是前面按键板,包括液晶显示、mp3处理、FM收音电路。

天线焊点质量也是非常不饱满

可以看到每个FFC连线处,包括收音机天线走线部分都用胶布进行固定,以确保连接的可靠稳定,这种小细节也说明了汽车产品的可靠性。

先来看一下这个电源功放板。

这个是醋酸绝缘胶布,粘性非常强,但不会因为时间久产生那种粘乎乎的物质,比电工胶布好太多。

这个连接器上还是通过爆接小板PCB进行转接。
电容、电感部分打白胶进行固定,也再一次证明了汽车电子对可靠性的要求。螺丝孔边上的螺丝符号也是一个设计小细节
这是功放部分电路芯片,芯片型号为YD1517P,我们看下规格书
功放电路挺简单,接12V电瓶电源,通电即响。
2个大的二极管和绕线线圈主主要是起保护作用、小二极管、贴片电感、输入输出电容和一个TD1507T5芯片构成一个DCDC电源电路,从汽车电瓶进来的12V电源通过它转换成5V或3.3V电源给到后面的芯片供电。
以上是电源芯片参考电路。
这是一个大电流的NPN三极管D882M,这应该是起一个开关作用,具体切换啥还没研究。
功放芯片背面贴了一个散热硅胶,通过它和金属机壳进行散热。
不太明白,这板为啥要拼这么多处连接位邮票孔,这也太多了。
小板是通过2个PCB相互套在一起,这个设计挺巧妙
这是天线部分,还打了红胶进行固定,这个固定的给人很扎实可靠的感觉
芯片是一个AM/FM收音机芯片
24c02是一个EEPROM存储芯片,比如电台相关频道。
AC21HHN151-90芯片居然没有查到规格书,我分析大概是一个单片机芯片,上面还画了绿线,这是写过程序后的标记。单片机用来处理按键控制、收音机芯片IIC总线控制、液晶显示等功能。
前面板和按键、液晶及音量。
话说这个按键卡位也是设计的非常好,很多类似产品其实没有这样的卡扣
到此拆解完了,总的来说,这个非常不起眼,甚至被车主抛弃的车载收音功放机的设计用料还是可圈可点,很多小细节都看的出来是一个用心设计的电子设备。
下面怎么把这个功放改成方便自已家用的接线呢,首先我们要找到这个功放的电源、地、喇叭输出。
首先把这个座子拆除。
拆解的时候要小心,防止坏PCB板。
把座子拆出来,并将孔吸干净。接下来就是要相关需要的功能脚是对应在哪个孔就行了。
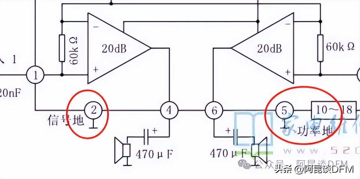
通过结合这个功放的典型电路,我们就可以顺着PCB线路找到这一排针孔所对应的我需要的功能引脚(地、电源、左右喇叭输出)
功放输出脚是串了一个470uF电容连接喇叭1和喇叭2到地。
这里的“信号地”和”功率地”最后是通过一个0欧电阻直接连接在一起的。
这属于单点接地了。
可以看出从外部进来的电源是先通过了二极管再通过了一个绕线电感进来。最后标注功能脚如下:
找完引脚,那就设计一个转接小板PCB,说干就干,这里直接用立创CAD
这里用了两排2.0排针,其中一排只是为了备用,实际只焊接第一排,设计完图纸,做好样品回来
进行焊接
转接小板焊接好,安装
焊接在功放板上
大功告成。
来试试
mp3模式
收音机模式
音频输入模式
到这里,一个简单的个人音频娱乐完成啦!试听一下:
,时长00:16
感谢小宝贝的协助