障板的声音在我初次制作8寸喇叭花全频障板音箱时就让我非常惊讶,声音之干净、声场之全面,都不是音箱所能比拟的!然而障板体积同场都要相当巨大,以利用低频延伸,一般书桌上根本放不下!
后来拥有一次晚上在网上看到一种相当特别的障板设计,用书架音箱大小的障板,后藏一只倒相音箱,以全频喇叭搭配障板,再用重低音单元配倒相,如此既有障板的声场开阔,有有倒相式低频的下潜和量感。
让我颇感兴趣!
后来偶然得到一对TB的W3-582SC三寸全频喇叭,就想到要来如法炮制。

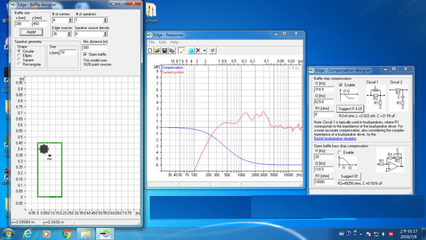
既然是书架音箱大小,宽度不能太宽啦,再次使用EDGE软件模拟障板绕射失真,取障板宽20CM,高45CM,喇叭置于左上角如图位置。
f2=630Hz
于是分频点取630Hz

当初去看到这颗TB的W3-582SC,我就已经想好要拿什么单体来搭配补偿低音,就是这颗淘宝COSTE的6.5寸低频喇叭。
音色几乎完全一样,天生就是有搭配彼此一般!ps.当初网上看到的DIYer是拿MarkaudioCHR-70金色,搭配惠威的B4N四寸重低音音色也是相当接近

再次翻出余料制作音箱,上直角夹之后再用重物压着,倒相管开口在底部,期望以此辐射出低频,呼应障板的宽宏音场。

黏上背板并打磨完毕

贴皮,安装倒相管,锁上橡胶脚座。

障板用的是之前剩下的贴皮,价格比我平常用的便宜贴皮贵一点,虽然厚度或者功能跟平常用的没什么不同,但是木纹好像漂亮一些,而且某个角度看的时候会有漂亮的金色反光。

接线端子这边上下都装线耳,一条伸到音箱内接低音喇叭,一条留在音箱外接全频喇叭。

分频点取630HZ,低音喇叭的阻抗是4欧姆,一阶分频下,要串联约1.01MH的电感,这个电感是淘宝定做的,以后再看看要不要自己学着绕吧。

这个角度可以稍微拍出金色反光的效果。

选择全频喇叭跟低音喇叭的搭配时,要注意灵敏度的匹配,障板绕射石咀镇的原理就是在截止频率以下,会有3DB的声压落差。
所以我们要另外找一个补偿低音来补回这3DB。如果选择的低音灵敏度太高,恐怕会出现低音太强的结果,反过来说,灵敏度如果太低,低音会有所欠缺。
如果灵敏度跟全频喇叭相同,理论上就恰好补足。但这其中又含有一些变数。首先,3DB的声压落差是理想状态下,所有绕射到障板后的低音都消失,实际情况可能回避3DB少一些,然后低音喇叭有电感串联,这也会造成低音灵敏度降低。
所以试听之后,有可能还要微调。
我所选择的TBW3-582SC灵敏度是88DB,寸低音灵敏度是87DB。

正面看起来就像是一对迷你的障板,色系相似,真的很有一套的感觉!

完工试听!
确是良好的保存了障板的宽松和开阔感,声音十分青琼灵动,高频尤其细腻悠扬,低音拜6.5寸低音喇叭所赐,下潜很令人满意,音场也确是能配合障板的效果,不会感觉高音开阔,低音反而指向较窄。不过毕竟是装倒相箱,低音还是会有所谓的箱声。没办法像纯障板那样干净。
至于全频跟低音的衔接,我恩威还算是不错,可能灵敏度相近真的有必要性吧!
不过如果换了感量相同,不同绕法的电感,或是改成两阶分频我就不确定会不会变成低频偏弱了,有机会再试试看啰!